多多文库 ddwenku.com
海量文档资源,专业知识分享平台
个人中心
签到有奖
搜索文档
首页
管理资料
行业资料
教育资源
标准规范
范文总结
素材图库
其他资料
首页
>
图纸模型
>
化工图纸
> >
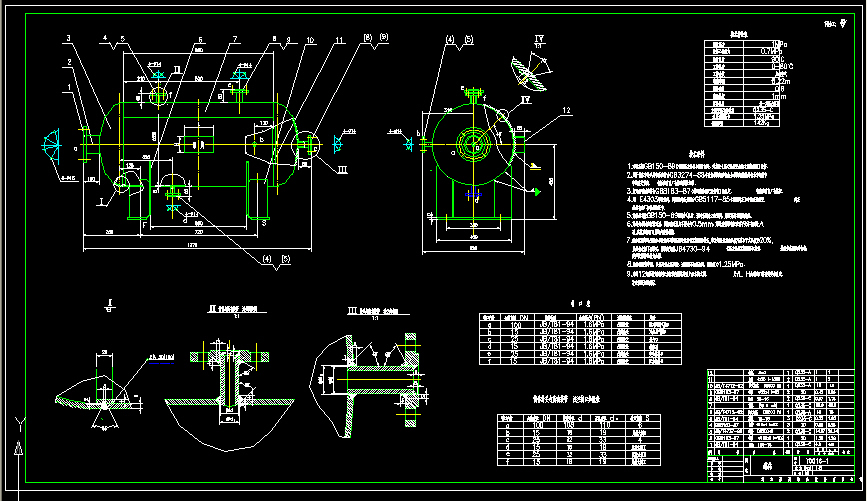
220L储气罐
220L储气罐
2024-11-15
浏览次数:
3
内容介绍
220L储气罐
进入下载地址页
点击按钮前往下载
大小:
120.14KB
类型:
dwg
萨摩耶柏
萨摩耶柏
上传者
优质作者 已上传10+资料
相关推荐
储气罐(SARQ03-16)
储气罐(SARQ03-16)
DN1000 储气罐装配图
储气罐装配图
3立方的压缩空气储气罐
自动焊DN400储气罐
低压储气罐技术经济比较及选型
加气站用储气罐的边缘应力分析